Product Name: Polycrystalline Diamond (PCD) Button for oil & Gas Drilling
Product Type: Flat-top Button, Spherical Button, Special Design Button
Key Properties
Product Highlights
Applications
Available Sizes
Diameter: 08, 10 , 13, 14 , 15 , 16, 17, 18, 19
Height: from 12 to 28
Customization Available
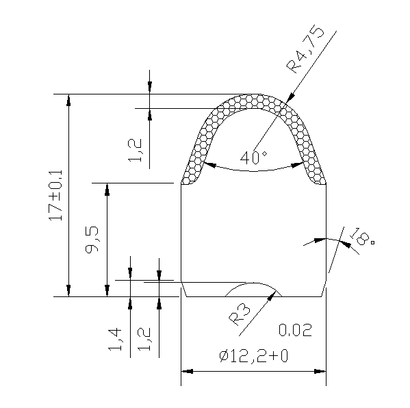
Example Drawings


Targeted Tooling Solutions for Drilling Operations
This product is engineered explicitly for professionals in the oil and gas drilling sector requiring reliable cutting elements. Our pcd buttons serve as integral components for pdc drill bit assemblies, designed to meet the rigorous demands of tri-cone bits. The product targets drilling engineers, bit manufacturers, and operations managers focused on maximizing tool life and drilling efficiency. With adaptability across multiple drilling conditions, these components provide consistent performance, reducing downtime and operational costs in challenging subterranean environments.
Advanced Material and Geometric Specifications
Manufactured with precision using polycrystalline diamond material, these pcd insert components feature enhanced wear resistance and thermal tolerance. Available in multiple shapes including flat-top, spherical, conical, and wedge-shaped geometries, they are dimensioned with diameters ranging from 8 to 19 mm and heights between 12 and 28 mm. The product supports customization to align with specific bit designs and drilling conditions, ensuring optimal cutting efficiency and longevity. The incorporation of multiple generations of development reflects refined structural integrity and enhanced tribological performance under abrasive drilling environments.
Industrial Application and Operational Efficiency
These pdc drill bits components are extensively applied within the oil and gas sector, especially in tri-cone bit assembly for underground drilling. They critically improve drilling speed and reduce maintenance frequency, providing reliable, long-term performance across various geological formations. Their compatibility with existing drilling systems simplifies integration and ensures consistent operational output. The design facilitates compliance with industry wear standards and engineering specifications, making this solution a practical choice for operators aiming for elevated ROI through improved drill bit durability and efficiency.
Product Advantages
Structural and Design Benefits of PCD Components
The structural configuration of our pcd buttons is engineered for modular compatibility within tri-cone bit assemblies, offering optimized mechanical stability and wear distribution. The diversity in button geometries, including conical and wedge-shaped designs, provides enhanced adaptability to different rock formations and drilling methods. High-quality polycrystalline diamond composition delivers superior hardness and resistance to abrasion and thermal degradation. This design logic enables seamless integration with varied tri-cone bit models while maintaining stringent manufacturing tolerances for consistent performance.
Enhanced Performance and Operational Value
Our solution offers significant improvements in wear resistance and heat tolerance, resulting in extended service life and reduced bit maintenance intervals. The precision engineering of these pdc drill bit components ensures efficient cutting dynamics and torque transfer, facilitating faster drilling rates and lower overall operational costs. Customization options further allow operators to tailor the product to specific well conditions. The value extends to reliability in harsh downhole environments, ensuring stable performance and minimizing equipment failures, thereby enhancing operational uptime.
Use Scenarios
Performance Benchmarking for Tri-Cone Bit Design Optimization
In the oil and gas drilling industry, testing and comparing different PCD button geometries under controlled field conditions is critical to identifying optimal configurations. Our pcd buttons serve as test components in evaluating wear rates and cutting efficiency across flat-top, spherical, conical, and wedge-shaped models. This scenario supports R&D teams in bit prototype qualification and lifecycle analysis, providing measurable data on abrasion resistance and heat tolerance. Integration with existing drilling system protocols allows iterative improvements, aligning component durability with formation-specific challenges.
Offshore Drilling Operations and Lifecycle Management
In offshore environments subject to abrasive downhole conditions, maintaining drill bit integrity is paramount. Our pdc insert components are employed for in-field replacement and lifecycle validation, helping reduce drilling downtime through proven durability. The technical advantage lies in their high wear resistance and heat tolerance, which comply with rigorous offshore operational standards. Incorporating these components into maintenance schedules allows operations managers to plan maintenance cycles more effectively, integrating seamlessly with rig workflows and supply chain logistics to enhance overall drilling efficiency.
Carbide6 is a professional tungsten product manufacturer based in Zhuzhou, Hunan, China. With a strong commitment to quality and innovation, we have established ourselves as a reliable and competitive player in the global tungsten industry. We deliver cutting-edge solutions tailored to meet the demands of industries such as mining, oil & gas, medical radiation shielding, automotive, and aerospace.
Our main product range includes a diverse array of high-performance tungsten-based items. We specialize in producing PCD (Polycrystalline Diamond) buttons, widely recognized for their exceptional hardness and wear resistance, making them ideal for drilling, mining, and construction applications. These PCD buttons are flagship products, known for consistent quality and outstanding performance in demanding environments.
In addition to pcd buttons, we offer a comprehensive selection of tungsten alloys engineered to meet specific requirements in various industries requiring high strength, density, and corrosion resistance. Our tungsten carbides provide excellent cutting and machining capabilities, while our pure tungsten parts serve applications needing high melting points and electrical conductivity. We also produce nuclear medical radiation shielding solutions designed for superior protection and compatibility with medical equipment.
We leverage advanced manufacturing techniques and strict quality control to ensure products meet the highest industry standards. With state-of-the-art facilities and an experienced team, we provide customized tungsten solutions tailored to client specifications.
Choose Carbide6 for reliable, cost-effective tungsten products and expert support. Contact us now for your custom quote!
What materials are used in Carbide6’s premium PCD buttons?
Carbide6’s premium pcd buttons are made from polycrystalline diamond material, known for exceptional hardness and wear resistance, optimized for use in abrasive oil & gas drilling environments to enhance drill bit longevity and efficiency.
Can I request custom sizes or geometries for PCD buttons to fit specific drill bits?
Yes, customization is available for both size and geometry of PCD buttons. Carbide6 offers flat-top, spherical, conical, and wedge-shaped designs with diameters from 8 to 19 and heights ranging 12 to 28, ensuring compatibility with diverse tri-cone drill bit configurations.
How do Carbide6’s PCD buttons improve drilling performance compared to standard inserts?
Compared to standard inserts, Carbide6’s polycrystalline diamond pcd buttons provide superior wear resistance, heat tolerance, and precision design, resulting in longer service life, reduced maintenance downtime, and improved cutting efficiency across all positions on the drill bit.
What is the process for obtaining pricing and lead times for PCD button orders?
Carbide6 does not list pricing on the product page. Interested buyers should contact Carbide6 directly to request customized quotes, ensuring tailored solutions and transparent communication about order size, customization, and delivery schedules.